This website requires JavaScript.
Explore
Help
Sign In
R5CA
/
SportIduino
Watch
1
Star
0
Fork
You've already forked SportIduino
0
Code
Issues
Pull Requests
Packages
Projects
Releases
Wiki
Activity
3f886d0f98
SportIduino
/
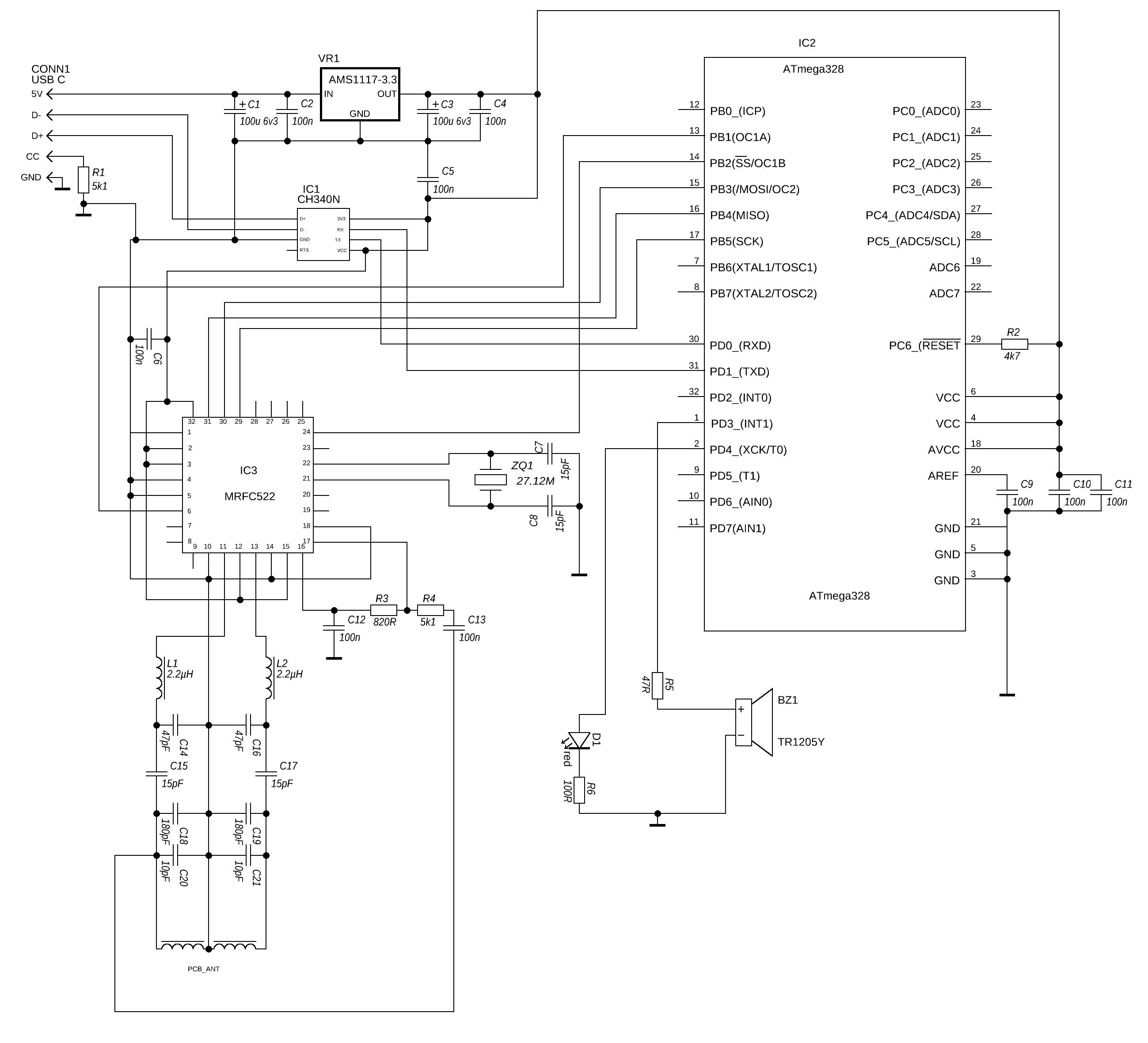
MasterStn
/
Masterstn.jpg
406 KiB
Raw
History