This website requires JavaScript.
Explore
Help
Sign In
R5CA
/
dxa_rotor_ctl
Watch
1
Star
0
Fork
You've already forked dxa_rotor_ctl
0
Code
Issues
Pull Requests
Packages
Projects
Releases
Wiki
Activity
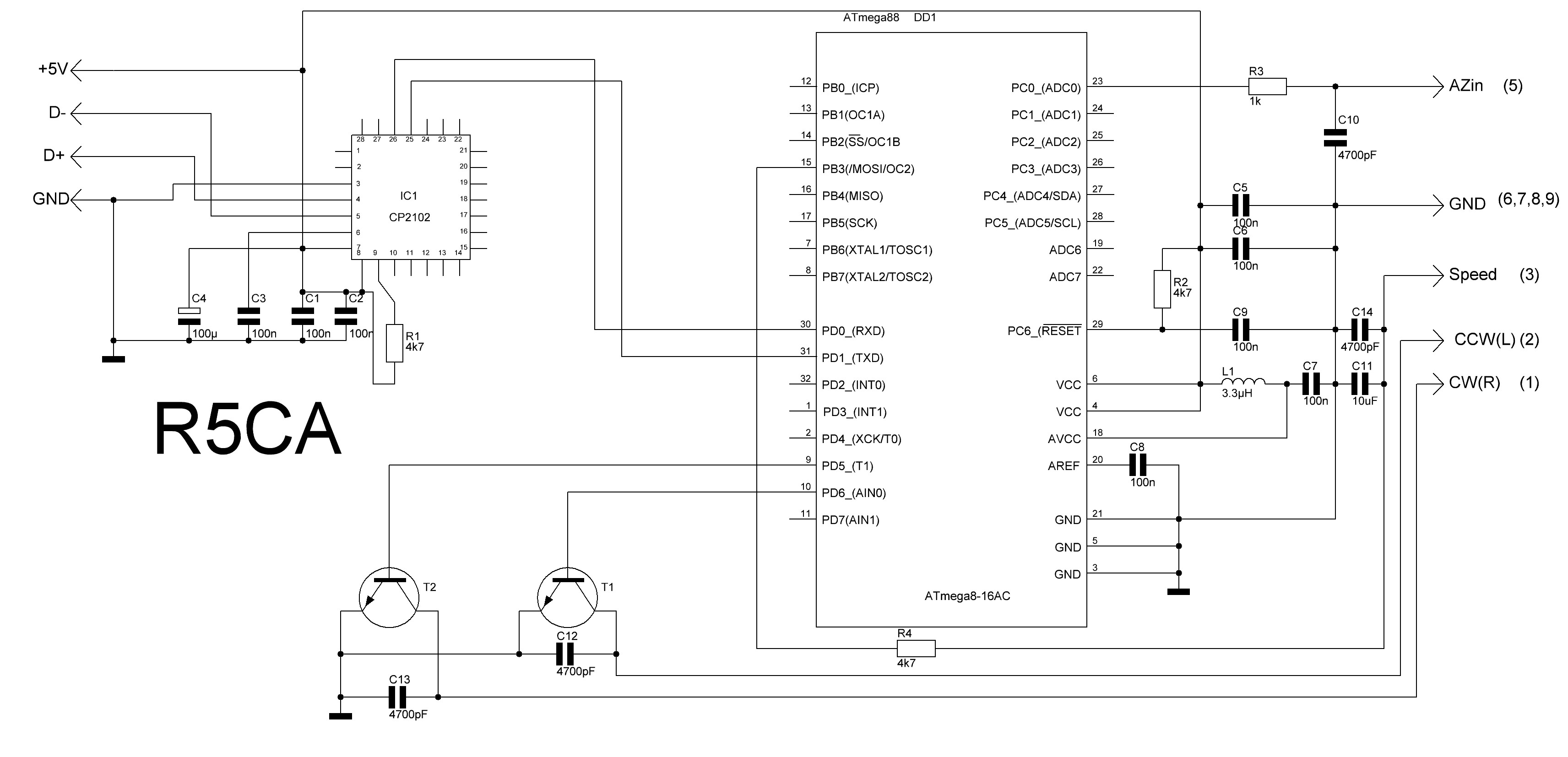
m88
dxa_rotor_ctl
/
hw
/
usb_rotor_card.JPG
376 KiB
Executable File
Raw
Permalink
History